• Home
  • Download PDF
  • Order CD-ROM
  • Order in Print
Figure 3.Rocker Arm Assembly. - Continued
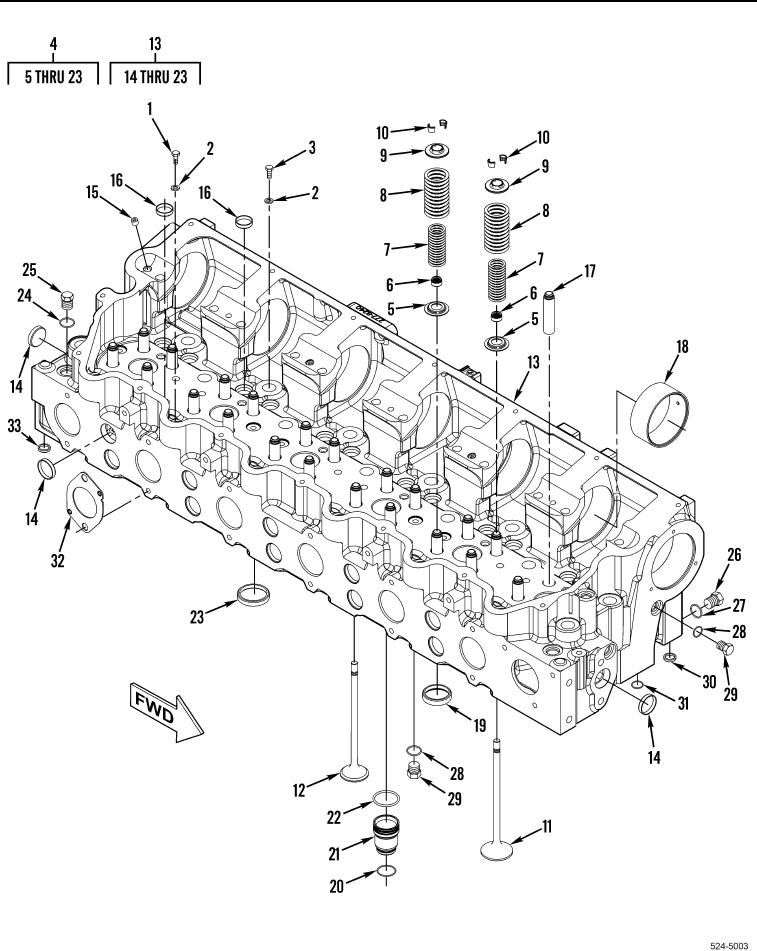
Figure 4.Cylinder Head. - Continued

Repair Parts For Military 621G Scraper Page Navigation
  2    3    4    5    6  7  8    9    10    11    12  
img
. .
TM 5-3805-296-24P
0002
Figure 4.  Cylinder Head.
0002-8
03/15/2011Rel(1.8)root(plwp)wpno(R00001)


Privacy Statement
Press Release
Contact

© Copyright Integrated Publishing, Inc.. All Rights Reserved.