• Home
  • Download PDF
  • Order CD-ROM
  • Order in Print
Figure 39.?Primary Fuel Filter, Base, Priming Pump, Water Separator and Lines - Continued
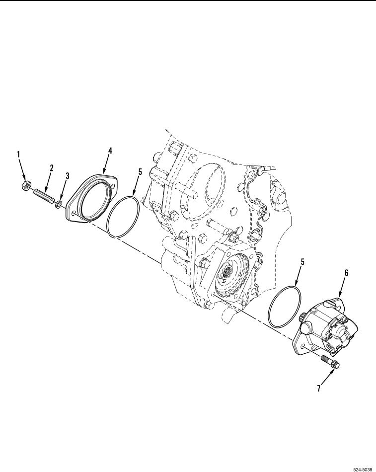
Figure 40. Fuel Transfer Pump. - Continued

Repair Parts For Military 621G Scraper Page Navigation
  85    86    87    88    89  90  91    92    93    94    95  
img
. .
TM 5-3805-296-24P
0002
Figure 40. Fuel Transfer Pump.
0002-98
03/15/2011Rel(1.8)root(plwp)wpno(R00001)


Privacy Statement
Press Release
Contact

© Copyright Integrated Publishing, Inc.. All Rights Reserved.