• Home
  • Download PDF
  • Order CD-ROM
  • Order in Print
Figure 39.?Primary Fuel Filter, Base, Priming Pump, Water Separator and Lines (Sheet1 of 3).
Figure 39.?Primary Fuel Filter, Base, Priming Pump, Water Separator and Lines (Sheet 3 of 3).

Repair Parts For Military 621G Scraper Page Navigation
  80    81    82    83    84  85  86    87    88    89    90  
img
TM 5-3805-296-24P
0002
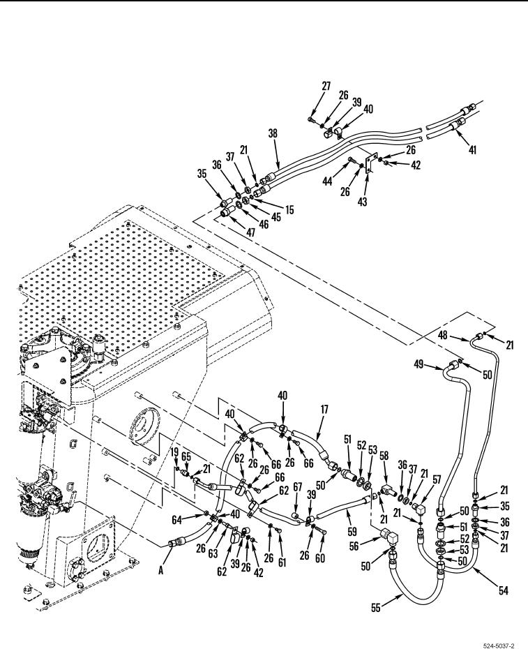
Figure 39.  Primary Fuel Filter, Base, Priming Pump, Water Separator and Lines (Sheet 2 of 3).
0002-93
03/15/2011Rel(1.8)root(plwp)wpno(R00001)


Privacy Statement
Press Release
Contact

© Copyright Integrated Publishing, Inc.. All Rights Reserved.