• Home
  • Download PDF
  • Order CD-ROM
  • Order in Print
Figure 133. Quick Drop Valve and Lines - Continued
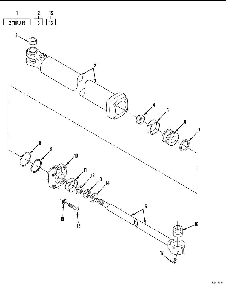
Figure 134. Hydraulic Steering Cylinder Assembly. - Continued

Repair Parts For Military 621G Scraper Page Navigation
  371    372    373    374    375  376  377    378    379    380    381  
img
. .
TM 5-3805-296-24P
0004
Figure 134. Hydraulic Steering Cylinder Assembly.
0004-186
03/15/2011Rel(1.8)root(plwp)wpno(R00003)


Privacy Statement
Press Release
Contact

© Copyright Integrated Publishing, Inc.. All Rights Reserved.