• Home
  • Download PDF
  • Order CD-ROM
  • Order in Print
Figure 90. Pump Lines - Continued
Figure 91. Hydraulic Oil Tank (Sheet 2 of 2).

Repair Parts For Military 621G Scraper Page Navigation
  240    241    242    243    244  245  246    247    248    249    250  
img
. .
TM 5-3805-296-24P
0004
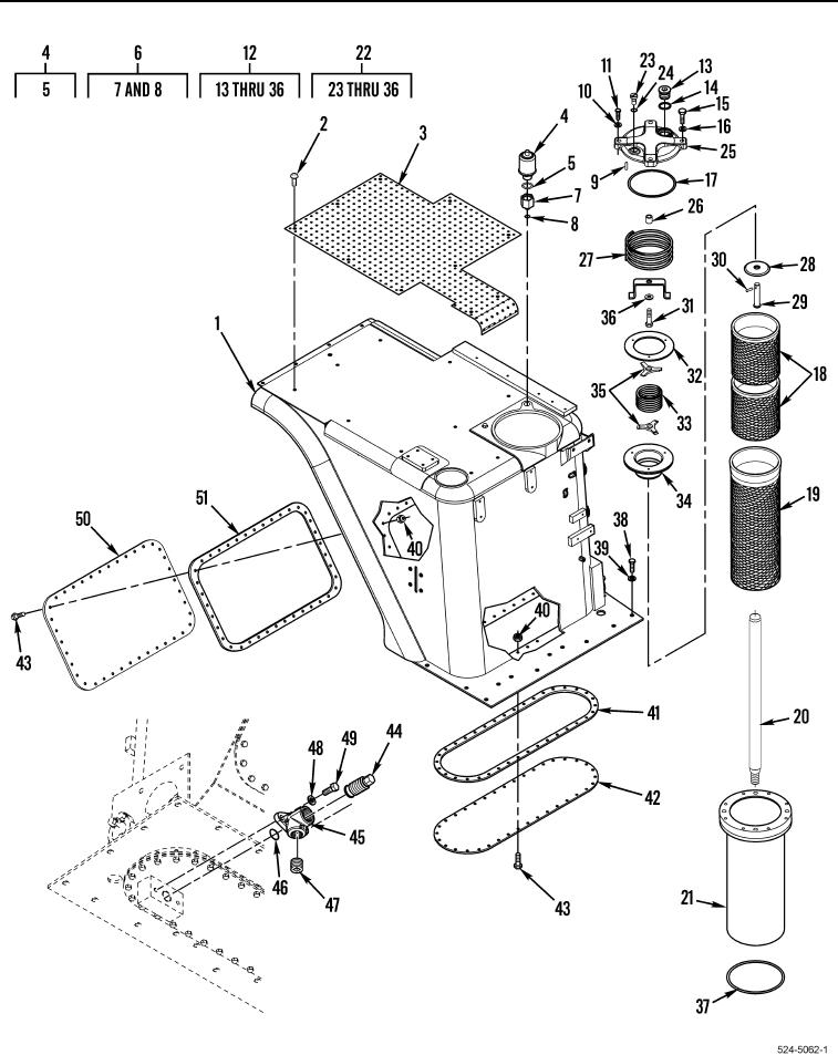
Figure 91. Hydraulic Oil Tank (Sheet 1 of 2).
0004-37
03/15/2011Rel(1.8)root(plwp)wpno(R00003)


Privacy Statement
Press Release
Contact

© Copyright Integrated Publishing, Inc.. All Rights Reserved.