• Home
  • Download PDF
  • Order CD-ROM
  • Order in Print
Figure 47. Air Intake and Atmospheric Pressure Sensors. - Continued
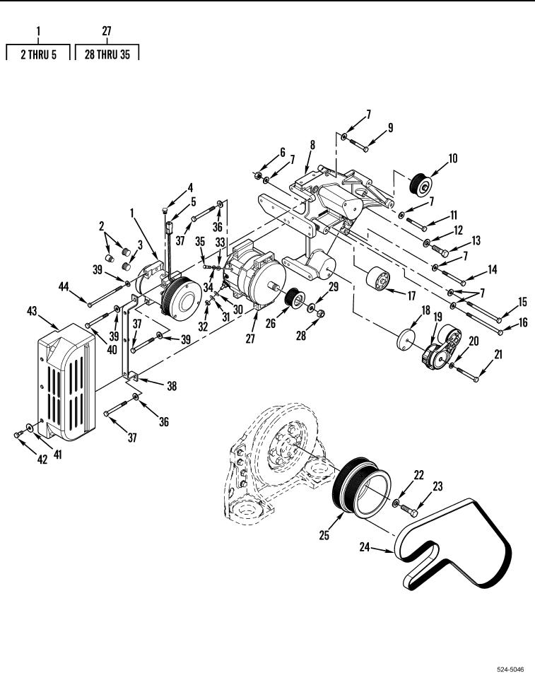
Figure 48. Alternator, Belt, Tensioner, Bracket and A/C Compressor. - Continued

Repair Parts For Military 621G Scraper Page Navigation
  101    102    103    104    105  106  107    108    109    110    111  
img
. .
TM 5-3805-296-24P
0002
Figure 48. Alternator, Belt, Tensioner, Bracket and A/C Compressor.
0002-114
03/15/2011Rel(1.8)root(plwp)wpno(R00001)


Privacy Statement
Press Release
Contact

© Copyright Integrated Publishing, Inc.. All Rights Reserved.