• Home
  • Download PDF
  • Order CD-ROM
  • Order in Print
Figure 43. Water Pump. - Continued
Figure 44. Engine Oil Cooler. - Continued

Repair Parts For Military 621G Scraper Page Navigation
  93    94    95    96    97  98  99    100    101    102    103  
img
. .
TM 5-3805-296-24P
0002
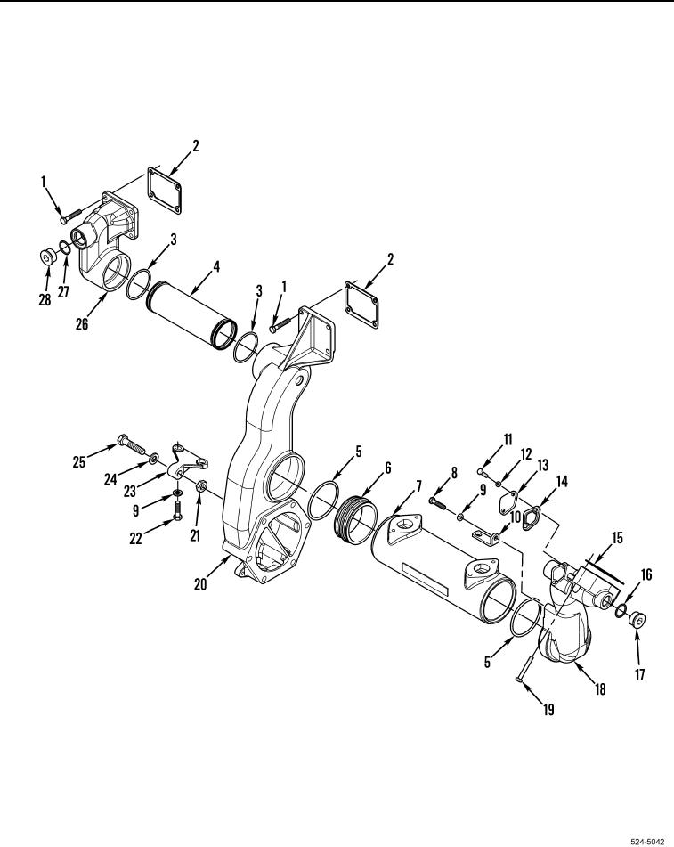
Figure 44. Engine Oil Cooler.
0002-106
03/15/2011Rel(1.8)root(plwp)wpno(R00001)


Privacy Statement
Press Release
Contact

© Copyright Integrated Publishing, Inc.. All Rights Reserved.