Home
Download PDF
Order CD-ROM
Order in Print
DESCRIPTION AND USABLE ON CODES (CONT) - TM-5-3910-202-24P_76
DESCRIPTION AND USABLE ON CODES (CONT) - TM-5-3910-202-24P_78
TM-5-3910-202-24P Roller Vibratory Self-Propelled Type II Caterpillar Model CS-563D Manual
Page Navigation
65
66
67
68
69
70
71
72
73
74
75
SECTION II
TM 5-3910-202-24P
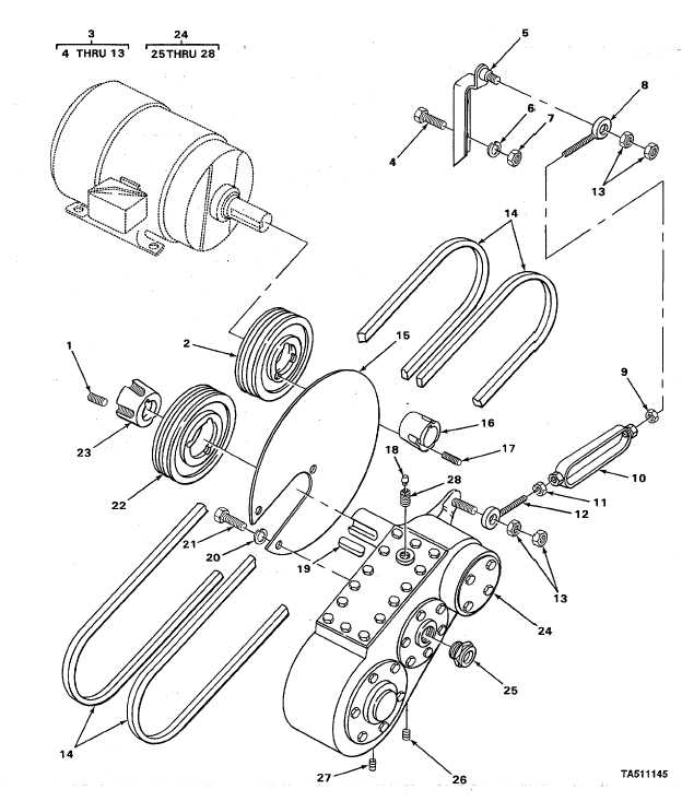
FIGURE 33. DRIVEBELTS AND
PULLEYS
.