• Home
  • Download PDF
  • Order CD-ROM
  • Order in Print
Figure 162. Cab Electrical Wiring and Controls (Sheet 1 of 4).
Figure 162. Cab Electrical Wiring and Controls (Sheet 3 of 4).

Repair Parts For Military 621G Scraper Page Navigation
  445    446    447    448    449  450  451    452    453    454    455  
img
TM 5-3805-296-24P
0005
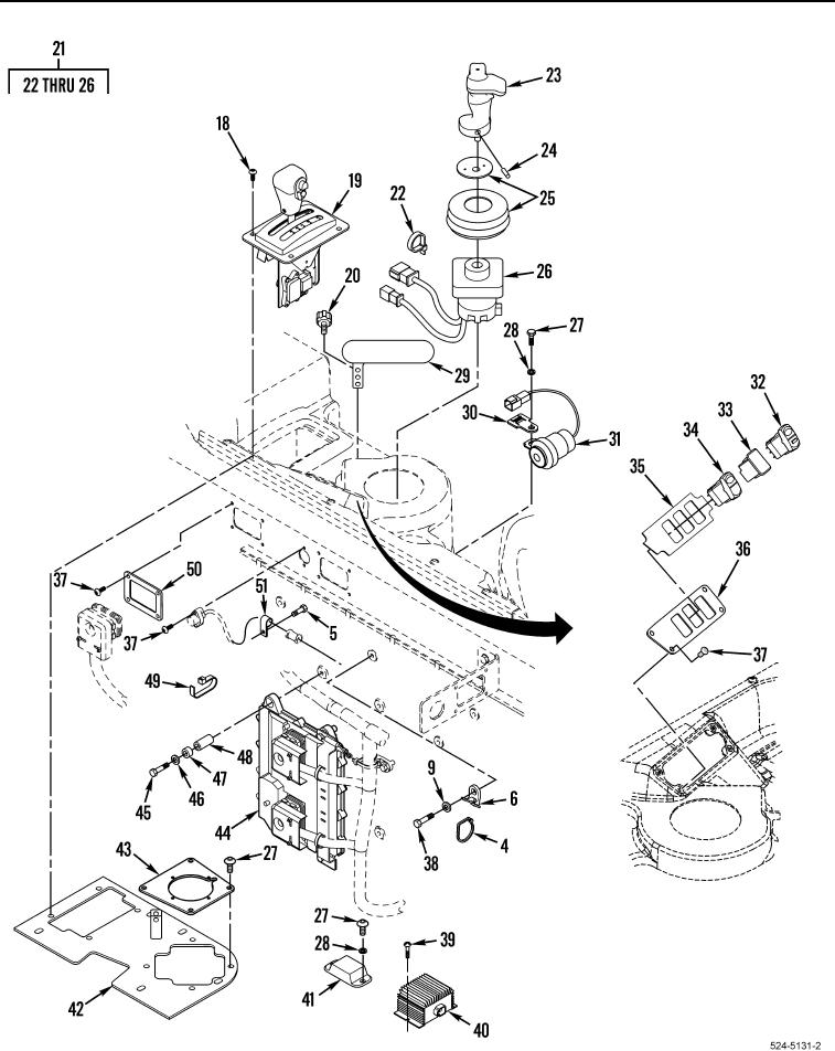
Figure 162.  Cab Electrical Wiring and Controls (Sheet 2 of 4).
0005-58
03/15/2011Rel(1.8)root(plwp)wpno(R00004)


Privacy Statement
Press Release
Contact

© Copyright Integrated Publishing, Inc.. All Rights Reserved.