• Home
  • Download PDF
  • Order CD-ROM
  • Order in Print
Figure 139. Bowl Assembly (Sheet 1 of 3).
Figure 139. Bowl Assembly (Sheet 3 of 3).

Repair Parts For Military 621G Scraper Page Navigation
  385    386    387    388    389  390  391    392    393    394    395  
img
TM 5-3805-296-24P
0004
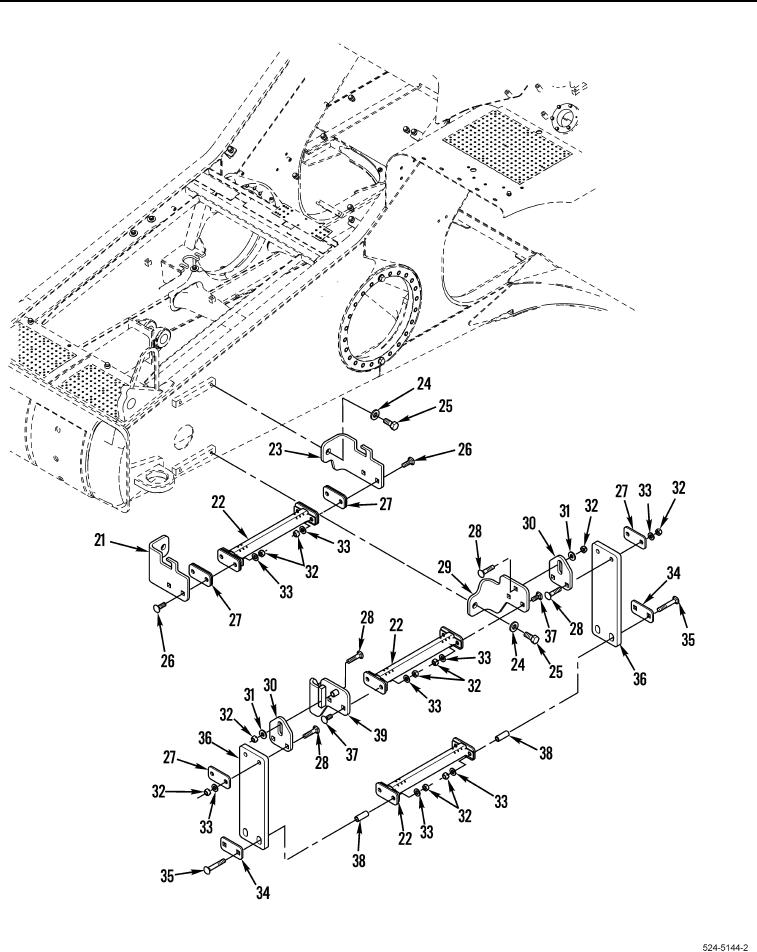
Figure 139.  Bowl Assembly (Sheet 2 of 3).
0004-203
03/15/2011Rel(1.8)root(plwp)wpno(R00003)


Privacy Statement
Press Release
Contact

© Copyright Integrated Publishing, Inc.. All Rights Reserved.