• Home
  • Download PDF
  • Order CD-ROM
  • Order in Print
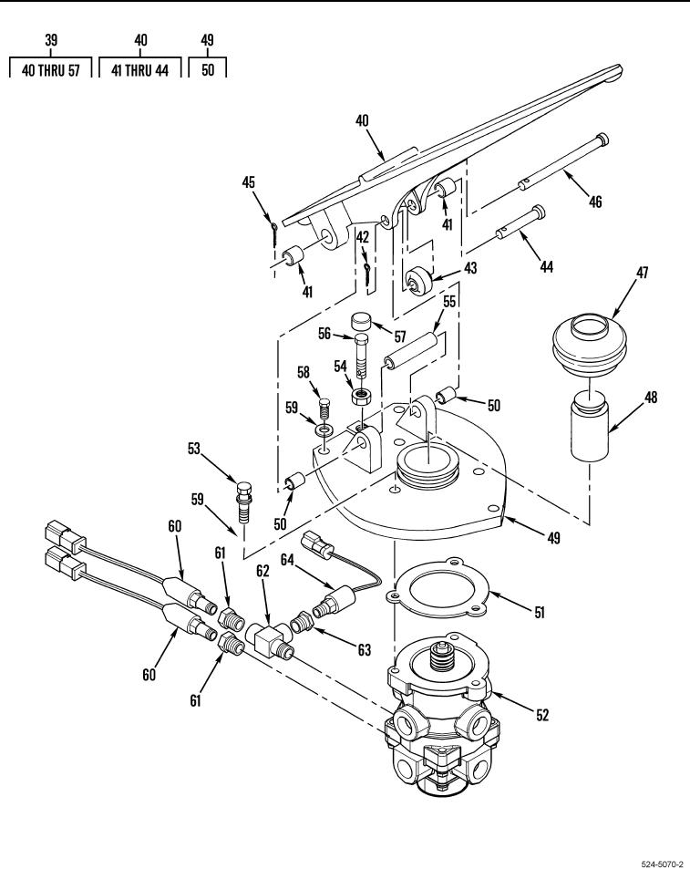
Figure 99. Air Control Valve, Tubes and Fittings (Sheet 1 of 2).
Figure 99. Air Control Valve, Tubes and Fittings - Continued

Repair Parts For Military 621G Scraper Page Navigation
  270    271    272    273    274  275  276    277    278    279    280  
img
TM 5-3805-296-24P
0004
Figure 99.  Air Control Valve, Tubes and Fittings (Sheet 2 of 2).
0004-70
03/15/2011Rel(1.8)root(plwp)wpno(R00003)


Privacy Statement
Press Release
Contact

© Copyright Integrated Publishing, Inc.. All Rights Reserved.